Aufgabe 2 — Aufladung von Kondensatoren in Blitzgeräten
Beim Fotografieren werden Blitzgeräte verwendet, um kurzzeitig für die Dauer der Aufnahme Licht zu erzeugen. Dabei wird ein Kondensator zunächst aufgeladen und dann als elektrische Quelle für die Blitzlampe eingesetzt. Der Aufladevorgang eines Kondensators wird in dieser Aufgabe untersucht.
In einem Experiment nach Material 1 soll die Stromstärke in Abhängigkeit von der Zeit
während der Aufladung eines Kondensators ermittelt werden. Die zugehörigen Messergebnisse sind in Material 2 dargestellt.
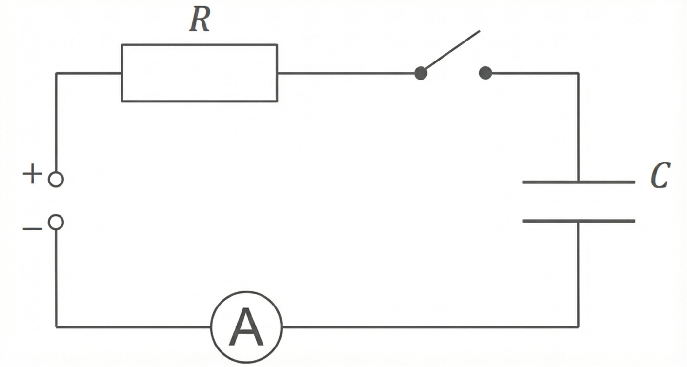
Beschreibe anhand von Material 1 Aufbau und Durchführung eines solchen Experiments.
Zeichne anhand der Messergebnisse in Material 2 ein Diagramm.
Erläutere anhand von Material 3 die wesentlichen Veränderungen im Diagramm, die sich ergeben, wenn der Widerstand
halbiert wird.
Hinweis: Die Ladespannung und die Kapazität bleiben dabei unverändert.
Anhand einer quantitativen Betrachtung des Aufladevorgangs lässt sich die angegebene Kapazität des Kondensators überprüfen.
Ermittle anhand der Messdaten in Material 2 einen exponentiellen Zusammenhang und dokumentiere das Vorgehen in der vereinbarten Form.
Bestätige mit der gesamten auf den Kondensator geflossenen Ladungsmenge dass die Kapazität
des Kondensators von der Herstellerangabe abweicht.
In Material 4 finden sich Informationen zum mobilen Einsatz von Blitzgeräten und den dabei verwendeten Spannungsquellen.
Beurteile die Eignung der verschiedenen Spannungsquellen in einem mobilen Blitzgerät zur Verwendung in der Sportfotografie.
Weiter lernen mit SchulLV-PLUS!
monatlich kündbarSchulLV-PLUS-Vorteile im ÜberblickDu hast bereits einen Account?Material 1: Schaltplan zum Aufladeexperiment eines Kondensators

Material 2: Elektrische Stromstärke 
in Abhängigkeit von der Zeit 
beim Aufladevorgang
|
|
|
|
|
|
|
|
|
|
|
|
|
|---|---|---|---|---|---|---|---|---|---|---|---|
|
|
|
|
|
|
|
|
|
|
|
|
|
Im Experiment werden ein Kondensator mit der Kapazität und ein Widerstand mit
verwendet. Die Spannungsquelle liefert eine Gleichspannung von ungefähr
Material 3: Qualitativer Verlauf der Stromstärke 
in Abhängigkeit von der Zeit 
beim Aufladen eines Kondensators für zwei verschiedene Widerstände

Material 4: Informationen zum Einsatz von Batterien und Akkumulatoren in mobilen Blitzgeräten
Für jede Aufnahme mit einem Blitzgerät ist eine bestimmte Energiemenge notwendig. Eine erfolgreiche Aufnahme mit maximaler Helligkeit ist dann möglich, wenn der im Blitzgerät enthaltene Kondensator nahezu vollständig aufgeladen ist. Daher kommt es zwischen zwei Aufnahmen zu einer unvermeidlichen Wartezeit. Insbesondere professionelle Sportfotografen müssen Bilder in sehr schneller Zeitabfolge aufnehmen. Dabei wird häufig die maximale Helligkeit des Blitzes benötigt.
Um Blitzgeräte auch mobil einsetzen zu können, werden Batterien oder wiederaufladbare Akkumulatoren als Spannungsquellen verwendet.
Diese können als Kombination aus einer Spannungsquelle und einem Innenwiderstand betrachtet werden. Die maximale Stromstärke, die eine Batterie bzw. ein Akkumulator liefern kann, wird durch diesen Innenwiderstand bestimmt.

Alkali-Mangan-Batterien sind preisgünstig, speichern eine große Energiemenge und sind lange haltbar. Sie haben einen relativ großen Innenwiderstand.
Wiederaufladbare Nickel-Metallhydrid-Akkumulatoren dagegen haben einen geringeren Innenwiderstand und sind teuer. Sie speichern eine geringere Energiemenge und neigen innerhalb von einigen Monaten zur Selbstentladung.
Lithium-Batterien sind vergleichsweise teuer, zeichnen sich durch eine lange Haltbarkeit aus und speichern viel Energie. Ihr Innenwiderstand ist ähnlich klein wie der von Nickel-Metallhydrid-Akkumulatoren.
Hinweis: Gehe davon aus, dass alle genannten Energiespeicher zu Beginn die gleiche Spannung aufweisen.
Weiter lernen mit SchulLV-PLUS!
monatlich kündbarSchulLV-PLUS-Vorteile im ÜberblickDu hast bereits einen Account?Um den Aufladevorgang eines Kondensators zu untersuchen, wird ein Versuchsaufbau entsprechend dem Schaltplan in Material 1 verwendet. In diesem Aufbau werden eine Gleichspannungsquelle mit etwa ein Widerstand von
ein Kondensator mit der Herstellerangabe
sowie ein Amperemeter und ein Schalter in einer Reihenschaltung miteinander verbunden. Die Durchführung des Experiments beginnt bei zunächst entladenem Kondensator. Mit dem Schließen des Schalters wird gleichzeitig eine Stoppuhr gestartet, um die Stromstärke für verschiedene Zeitpunkte ablesen zu können und somit einen zeitlichen Verlauf der Stromstärke zu ermitteln.
Anhand der Messdaten ergibt sich folgendes Diagramm:

Sollte der Widerstand im Versuchsaufbau halbiert werden, während die Ladespannung und die Kapazität konstant bleiben, ergeben sich mehrere Veränderungen im Diagramm:
-
Da die Anfangsstromstärke
durch das Verhältnis von Spannung zu Widerstand (
) bestimmt wird, führt eine Halbierung des Widerstands zu einer Verdoppelung der anfänglichen Stromstärke.
-
Da die insgesamt auf den Kondensator fließende Ladungsmenge
jedoch gleich bleibt, muss auch die Fläche unter dem Graphen im
Diagramm, welche als Ladungsmenge interpretiert werden kann, unverändert bleiben. Damit das erfüllt ist, muss die Stromstärke
deutlich schneller abfallen.
Somit zeigt die durchgezogene Kurve in Material 3 den Stromstärkeverlauf beim Widerstand die gestrichelte Kurve den Stromstärkeverlauf bei halbiertem Widerstand
Um den exponentiellen Zusammenhang der Messdaten aus Material 2 zu ermitteln, wird eine Regressionsanalyse mit dem GTR durchgeführt. Als Regressionsfunktion wird wie in der Aufgabenstellung angegeben eine exponentielle Regression gewählt. Mit Hilfe der Messwerte aus Material 2 ergibt sich damit:
Wichtig bei der Dokumentation des Vorgehens ist, dass die Zeit als Argumentliste und die Stromstärke
als Funktionswertliste übergeben werden. Anschließend wird eine exponentielle Regression ausgewählt. Zum Schluss muss das Ergebnis noch physikalisch eingeordnet werden, indem den Koeffizienten die richtigen Einheiten zugeordnet werden.
Um die tatsächliche Kapazität des verwendeten Kondensators zu überprüfen, muss zunächst die gesamte Ladungsmenge ermittelt werden, die während des Ladevorgangs auf den Kondensator geflossen ist. Dies erfolgt durch die Integration der
Funktion über den gesamten Zeitraum, da
gilt. Als obere Grenze kann bei der Integration beispielsweise
genommen werden:
Der GTR liefert hierfür:
Für die Spannung gilt gemäß Material 2 daraus folgt für die Kapazität:
Bei der Beurteilung geeigneter Spannungsquellen für die Blitzgeräte von Sportfotografen sind vor allem ein hoher Energiegehalt und ein geringer Innenwiderstand entscheidend. Ein hoher Energiegehalt gewährleistet eine große Anzahl an möglichen Blitzen bei maximaler Helligkeit, während ein geringer Innenwiderstand kurze Ladezeiten ermöglicht, was für eine hohe Blitzfrequenz in der Sportberichterstattung essenziell ist.
Material 4 liefert für diese beiden Kriterien folgende Daten:
-
Alkali-Mangan-Batterien haben einen hohen Energiegehalt, jedoch einen großen Innenwiderstand.
-
Nickel-Metallhydrid-Akkus haben einen kleinen Innenwiderstand, jedoch nur einen geringen Energiegehalt.
-
Lithium-Batterien haben sowohl einen hohen Energiegehalt als auch einen kleinen Innenwiderstand.
Somit erfüllt die Lithium-Batterie diese Kriterien am besten, wodurch diese beim Fokus auf Leistung als besonders geeignet zu bewerten ist.
Bei Berücksichtigung anderer Aspekte, wie beispielsweise wirtschaftlicher oder ökologischer Faktoren, kommen auch die anderen Batterien infrage; Lithium-Batterien bilden jedoch das Optimum.