Aufgabe 4 — Hochfeld-Magnetspulen
Im Hochfeld-Magnetlabor des Helmholtz-Zentrums Dresden-Rossendorf (HZDR) werden unter Verwendung von Spulen extrem starke Magnetfelder erzeugt. Mithilfe dieser starken Magnetfelder können neue Materialien entwickelt werden.
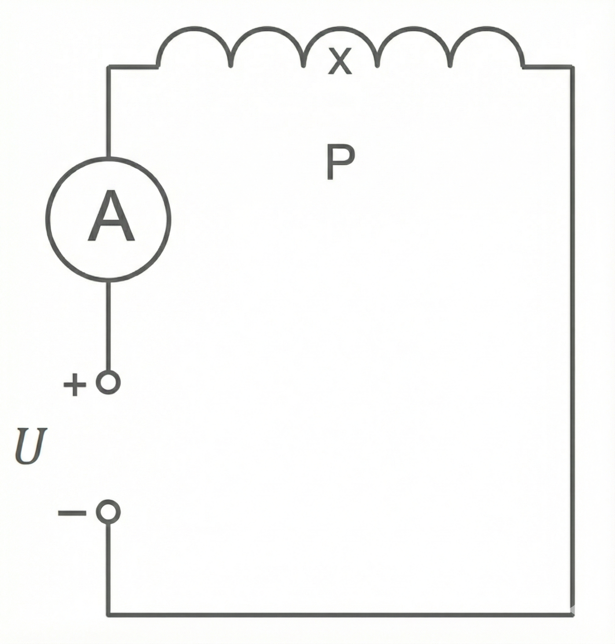
Gib die Polung der im Material 1 dargestellten Spannungsquelle durch Einzeichnen an.
Beschreibe drei Eigenschaften des in Material 1 dargestellten Magnetfeldes.
In einem Experiment wurde die magnetische Flussdichte im Inneren einer luftgefüllten Spule in Abhängigkeit von der Stromstärke
des Spulenstroms gemessen. In Material 2 sind der Versuchsaufbau und das Ergebnis der Messung aufgeführt.
Hinweis: Die magnetische Flussdichte wird auch als magnetische Feldstärke bezeichnet.
Beschreibe unter Beachtung von Material 2 die wesentlichen Schritte der Durchführung des Versuchs.
Bestätige anhand der in Material 2 gegebenen Messwerte, dass der Zusammenhang zwischen und
mithilfe der Gleichung
angegeben werden kann.
Ermittle unter Berücksichtigung aller Messwerte einen Wert für
Erkläre, dass sich bei Vergrößerung der Windungszahl der Spule unter sonst gleichen Bedingungen die Größe ändert. Gib dabei auch an, wie sich
qualitativ ändert.
Berechne die maximale Stromstärke der in Material 3 beschriebenen Hochfeld-Magnetspule. Nutze dazu das Diagramm in Material 3.
Die sehr großen Ströme, die den Spulendraht der Hochfeld-Magnetspulen durchfließen, würden nach kurzer Zeit zur Zerstörung der Spulen durch Erhitzen führen.
Erläutere unter Verwendung von Material 3 zwei Maßnahmen, durch die das verhindert wird.
Aus Gründen des Arbeitsschutzes soll geprüft werden, ob von den im Material 3 beschriebenen, stromdurchflossenen Hochfeld-Magnetspulen eine Gefahr für Personen ausgeht, die sich in der Nähe dieser Spulen befinden.
Beurteile, ob es prinzipiell eine physikalische Wirkung auf eine Person im Magnetfeld einer Hochfeld-Magnetspule geben kann. Berücksichtige, dass menschliches Gewebe elektrischen Strom leiten kann.
Beurteile, ob Material 4 geeignet ist, um gesundheitliche Gefahren für Personen zu bewerten, die sich in der Nähe von in Betrieb befindlichen Hochfeld-Magnetspulen aufhalten.
Weiter lernen mit SchulLV-PLUS!
monatlich kündbarSchulLV-PLUS-Vorteile im ÜberblickDu hast bereits einen Account?Material 1: Magnetfeld einer von Strom durchflossenen Zylinderspule
![]()
|
|
Gegenüber dem tatsächlichen Aufbau vereinfachte Darstellung einer im Hochfeld-Magnetlabor verwendeten Spule |
Material 2: Erfassung des Zusammenhangs zwischen der magnetischen Flussdichte im Inneren einer Spule und der Stromstärke des Spulenstromes
Die Messspitze des Magnetfeldsensors befand sich während der Messungen auf der Spulenachse im Punkt P und in der Mitte der Spule. Vor dem Anlegen der regelbaren Spannung wurde der Messwert des Magnetfeldsensors auf
gesetzt.

Folgende Messwerte wurden aufgenommen:
|
|
|
|---|---|
|
|
|
|
|
|
|
|
|
|
|
|
|
|
|
Material 3: Hochfeld-Magnetspulen des Helmholtz-Zentrums Dresden-Rossendorf (HZDR)
Bei den Hochfeld-Magnetspulen des HZDR werden Flussdichten von bis zu Tesla erreicht, indem die Spulen von Strömen mit Stärken bis
durchflossen werden. Die Spulen werden wie folgt betrieben:
-
Der Strom fließt „gepulst“ durch die Spulen, das heißt, dass der Strom jeweils nur einige Millisekunden fließt und den Strompulsen jeweils eine kurze Pause folgt.
-
Die Spulen werden kontinuierlich mit flüssigem Stickstoff gekühlt.
![]()
Zeitlicher Verlauf der magnetischen Flussdichte in einer Hochfeld-Magnetspule |
|
Die Abbildung zeigt den zeitlichen Verlauf der magnetischen Flussdichte in einer im HZDR getesteten Hochfeld-Magnetspule. Im Inneren dieser Spule befindet sich Luft. Für den Zusammenhang zwischen der magnetischen Flussdichte
|
Material 4: Biologische und gesundheitliche Wirkungen statischer Magnetfelder
In einer Veröffentlichung des Bundesamts für Strahlenschutz wird ausgeführt:
„Biologische und gesundheitliche Wirkungen statischer Magnetfelder:
-
Statische Magnetfelder üben Kräfte auf magnetisierbare Metalle […] aus.
-
Der Mensch nutzt stärkere Magnetfelder beispielsweise für bildgebende medizinische Verfahren.
-
Untersuchungen zeigten bisher keine […] negativen biologischen und gesundheitlichen Wirkungen statischer Magnetfelder bis zu einer Flussdichte von vier Tesla.
Die Auswirkungen stärkerer statischer Magnetfelder müssen weiter erforscht werden.“
Hinweis: Der Begriff statisch bedeutet in diesem Zusammenhang zeitlich konstant.
Weiter lernen mit SchulLV-PLUS!
monatlich kündbarSchulLV-PLUS-Vorteile im ÜberblickDu hast bereits einen Account?Bei der in Material 1 dargestellten Spannungsquelle ist der linke Anschluss der Minuspol.
Das Magnetfeld einer solchen Spule weist mehrere charakteristische physikalische Eigenschaften auf:
-
Im Inneren der Spule ist das Magnetfeld weitestgehend homogen, während es außerhalb der Spule eine ausgeprägte Inhomogenität zeigt.
-
Die magnetische Flussdichte ist im Inneren der Spule am größten.
-
Zudem ist das gesamte Magnetfeld drehsymmetrisch zur Spulenachse.
Um den Zusammenhang zwischen der magnetischen Flussdichte und der Stromstärke
experimentell zu erfassen, wird die magnetische Flussdichte im Inneren der luftgefüllten Spule (Messpunkt P) für verschiedene Stromstärken gemessen. Die gezielte Einstellung der jeweiligen Stromstärke erfolgt dabei durch Variieren der am Stromkreis anliegenden Spannung
Dabei wird bei einer Stromstärke von
begonnen und diese dann schrittweise bis auf ungefähr
erhöht.
In der Aufgabenstellung ist ein linearer Zusammenhang zwischen der magnetischen Flussdichte und der Stromstärke
angegeben. Dieser kann beispielsweise durch Zeichnen eines
Diagramms nachgewiesen werden, indem die Messwerte aus Material 2 in dem
Diagramm eingezeichnet werden und durch diese eine Ausgleichsgerade gelegt wird:

Im Diagramm lässt sich erkennen, dass die Messpunkte in guter Näherung auf der Ursprungsgeraden liegen. Dadurch ist bestätigt, dass zwischen der magnetischen Flussdichte
und der Stromstärke
ein linearer Zusammenhang besteht.
Die Konstante entspricht der Steigung der in 4.3 a) ermittelten Ursprungsgeraden. Um diese zu ermitteln, wird die maximale gemessene Flussdichte mit ca.
bei einer Stromstärke von
bestimmt. Daraus ergibt sich als Steigung der Ausgleichsgeraden:
.
Wird die allgemeine Formel für eine langgestreckte Spule betrachtet, so wird deutlich, dass für die Konstante
in der aus 4.3 a) bekannten Formel
folgendes gilt:
Da sich laut Aufgabenstellung nicht ändert, gilt
Wird bei ansonsten gleichbleibenden Bedingungen die Windungszahl der Spule
erhöht, vergrößert sich somit auch die Konstante
In Material 3 ist die Formel mit
gegeben. Um die maximale Stromstärke
bestimmen zu können, wird also die maximale magnetische Flussdichte
benötigt.
Aus dem zeitlichen Verlauf der magnetischen Flussdichte in Material 3 lässt sich diese mit etwa
bestimmen. Daraus folgt für die maximale Stromstärke:
Um eine Zerstörung der Spule durch die enorme Wärmeentwicklung bei derart hohen Stromstärken zu verhindern, kommen zwei wesentliche Maßnahmen zum Einsatz:
-
Zum einen wird die Spule kontinuierlich mit flüssigem Stickstoff gekühlt, wodurch die entstehende Wärme vom Spulendraht abgeführt wird.
-
Zum anderen wird der Strom nicht kontinuierlich, sondern in Form von kurzen Pulsen durch die Spule geleitet. In den darauffolgenden Pausen fließt kein Strom, sodass der Draht in dieser Zeit keine weitere Wärme aufnimmt und abkühlen kann.
Grundsätzlich gilt, dass bei einer Änderung der magnetischen Flussdichte eines Magnetfelds gemäß dem Induktionsgesetz eine Spannung induziert wird, die sich auf bewegliche Ladungsträger auswirkt, indem dadurch elektrische Ströme induziert werden. Im menschlichen Körper sind bewegliche Ladungsträger vorhanden und gemäß der Abbildung aus Material 3 tritt bei Hochfeld-Magnetspulen eine starke zeitliche Änderung der magnetischen Flussdichte auf. Somit wird im Gewebe einer in der Nähe befindlichen Person eine Spannung induziert, was einen Stromfluss im Gewebe dieser Person erzeugt.
Die Daten aus Material 4 beziehen sich ausschließlich auf die Wirkungen von statischen, also zeitlich konstanten Magnetfeldern. Die hier untersuchten Hochfeld-Magnetspulen erzeugen jedoch gemäß Material 3 ein sich zeitlich stark veränderndes Magnetfeld. Daher sind die Daten aus Material 4 nicht geeignet, um die gesundheitlichen Gefahren der hier betrachteten Hochfeld-Magnetspulen zu bewerten.

