A2 — Elektrizitätslehre
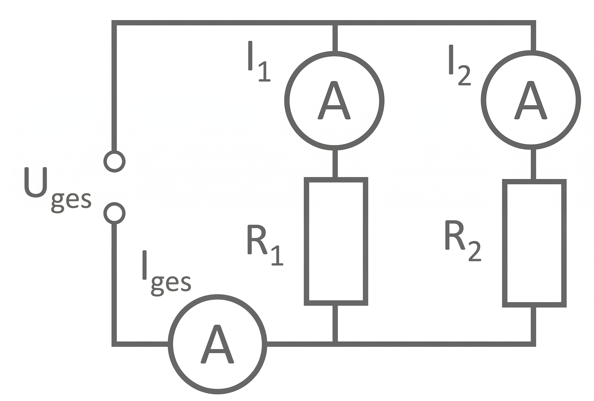
In einem Versuch zur Parallelschaltung werden entsprechend nebenstehender Schaltskizze für verschiedene Widerstandskombinationen die Teilströme und
sowie die Gesamtstromstärke
bestimmt.

Eine Gruppe aus Schülerinnen und Schülern führt folgende Messungen durch:
|
Verwendete Widerstände |
Messwerte |
||||
|
Messung |
|
|
|
|
|
|---|---|---|---|---|---|
|
1 |
|
|
|
|
|
|
2 |
|
|
|
||
Begründe, weshalb bei Messung 1 der notierte Wert für die Teilstromstärke bei sonst richtigen Messwerten nicht korrekt sein kann.
Ergänze in der Tabelle für die Messung 2 die Werte für den korrekt abgelesenen Teilstrom sowie den Widerstand
In der Schaltung aus 2.1.0 wird zu den parallel geschalteten Widerständen und
ein dritter Widerstand
in Reihe geschaltet. Diese Schaltung ist an eine Elektrizitätsquelle mit
angeschlossen.
Zeige, dass in diesem Fall die Gesamtstromstärke beträgt.
Berechne die elektrische Gesamtleistung der Schaltung aus 2.1.3.
Eine kurzgeschlossene Spule befindet sich mit der Öffnung nach oben auf einer Waage. Diese zeigt eine Masse von an. Ein Stabmagnet wird, wie im Bild ersichtlich, mit dem Nordpol voran in die Spule bewegt, ohne sie zu berühren.

Beschreibe die Beobachtung an der Anzeige der Waage während der Bewegung des Magneten.
Begründe die Beobachtung aus 2.2.1 mithilfe der Regel von Lenz.
Nenne zwei Möglichkeiten, wie der in 2.2.1 beobachtete Effekt vergrößert werden kann.
Weiter lernen mit SchulLV-PLUS!
monatlich kündbarSchulLV-PLUS-Vorteile im ÜberblickDu hast bereits einen Account?Wenn zwei Widerstände parallel geschalten sind, ergibt die Summe der beiden Teilströme den Gesamtstrom Das ist hier jedoch nicht der Fall.
|
Verwendete Widerstände |
Messwerte |
||||
|
Messung |
|
|
|
|
|
|---|---|---|---|---|---|
|
1 |
|
|
|
|
|
|
2 |
|
|
|
|
|
Zuerst muss der gemeinsame Widerstand der beiden parallel geschalteten Widerstände
und
berechnet werden:
Daraus folgt für den Gesamtwiderstand
Damit kann nun die dazugehörige Stromstärke berechnet werden:
Mithilfe der Werte und
ergibt sich:
Die Waage zeigt während der Bewegung des Magneten kurzzeitig einen größeren Wert an.
Während der Bewegung des Magneten ändert sich das die Spule durchsetzende Magnetfeld zeitlich. Dadurch wird eine Spannung zwischen ihren Anschlüssen induziert.
Durch die kurzgeschlossene Spule fließt nach der Lenzˋschen Regel ein Induktionsstrom so, dass sein Magnetfeld der Ursache seiner Entstehung (Änderung des äußeren Magnetfeldes) entgegenwirkt.
Daher besitzt das Magnetfeld der Induktionsspule am oberen Ende einen Nordpol.
Da sich gleichnamige Magnetpole abstoßen, wirkt infolge der Wechselwirkung der beiden Magnetfelder von Stabmagnet und Spule zusätzlich zur Gewichtskraft noch eine zweite Kraft nach unten. Diese zusätzliche Kraft führt bei der Waage zur Anzeige eines größeren Wertes.
-
schnellere Bewegung des Stabmagneten
-
Verwendung eines stärkeren Stabmagneten (bei gleicher Geschwindigkeit)
-
Verwendung eines Spulendrahtes mit größerer Querschnittsfläche (bei gleicher Windungszahl)