B2 — Elektrizitätslehre
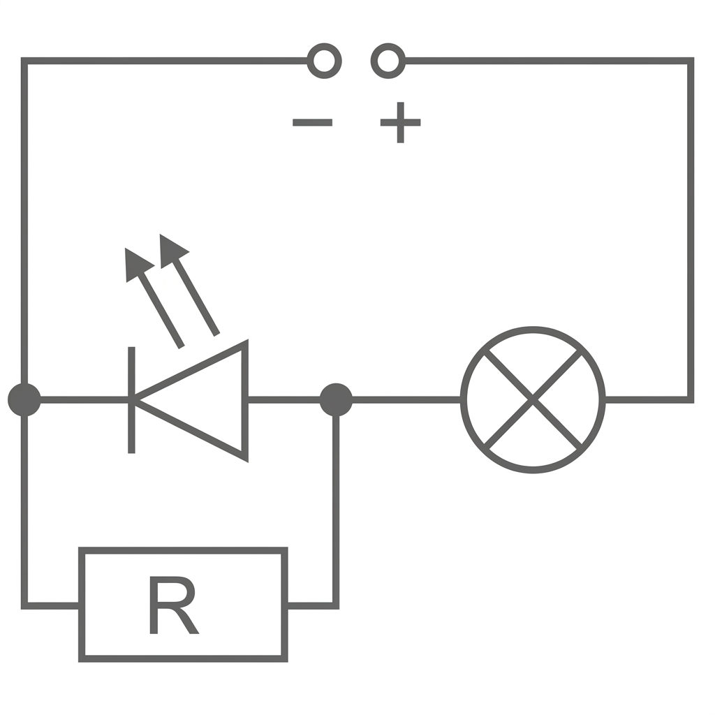
In einer Schaltung sind ein Widerstand eine LED (
) und eine Experimentierleuchte
(
) wie in nebenstehender Skizze geschaltet. Die Gesamtspannung ist so gewählt, dass sowohl die LED als auch die Leuchte mit ihren Nenndaten betrieben werden.

Berechne die gesamte elektrische Leistung der Schaltung.
Zeige rechnerisch, dass der Widerstand einen Wert von
besitzt.
Die nachfolgende Berechnung des Ersatzwiderstandes der LED und des parallel geschalteten Widerstandes
ist in mehrfacher Hinsicht fehlerhaft.
Erläutere zwei Fehler, die dabei gemacht wurden.
|
fehlerhafte Berechnung des Ersatzwiderstandes
Begründe, dass mit keiner der nachfolgenden Schaltungen die Kennlinie einer LED experimentell richtig ermittelt werden kann.

Mithilfe sogenannter Induktionsschleifen (Spulen), die unter dem Straßenbelag verborgen sind, lassen sich z. B. Schranken automatisch öffnen.

Erläutere, weshalb das Überfahren einer Spule mit einem Pkw mit stromdurchflossenen Komponenten eine schwache Spannung zwischen den Anschlüssen der Spule erzeugt.
Nenne allgemein zwei Möglichkeiten, um die in einer Spule induzierte Spannung zu vergrößern.
Weiter lernen mit SchulLV-PLUS!
monatlich kündbarSchulLV-PLUS-Vorteile im ÜberblickDu hast bereits einen Account?Die LED und die Leuchte sind reihengeschaltet, somit addieren sich die beiden Teilspannung zur Gesamtspannung (). Die Gesamtspannung beträgt somit:
Es gilt außerdem
Daraus folgt für die gesamte elektrische Leistung der Schaltung:
LED und Widerstand sind parallelgeschaltet, somit ergibt sich für die Spannung am Widerstand und für die Stromstärke am Widerstand:
Damit kann nun der Widerstand des Widerstand berechnet werden:
Als Fehler können beispielsweise folgende angeführt werden:
-
Fehler 1: Die Formel zur Berechnung des Widerstandes
lautet:
-
Fehler 2: Die angegebene Stromstärke durch die LED muss für die Berechnung des Widerstandswertes
in die Einheit
umgerechnet werden:
.
-
Fehler 3: Bei der Berechnung des Ersatzwiderstandes wurde der Kehrwert nicht gebildet.
-
Schaltung 1: Hier wird nicht die an der LED anliegende Spannung, sondern die an beiden Energiewandlern anliegende Gesamtspannung
gemessen.
-
Schaltung 2: Hier ist die LED in Sperrrichtung geschaltet, so dass kein Strom durch sie hindurchfließt.
-
Schaltung 3: Hier sind die Messgeräte falsch in den Stromkreis geschaltet. Das Stromstärkemessgerät muss immer vom zu messenden Strom durchflossen werden (Reihenschaltung), während das Spannungsmessgerät parallel zum elektrischen Energiewandler geschaltet wird.
Die stromführenden Teile (z. B. die Lichtmaschine) eines Pkws sind von schwachen Magnetfeldern umgeben.
Durch diese schwachen Magnetfelder des Pkws verändert sich das die Spule durchsetzende Magnetfeld beim Überfahren zeitlich, so dass zwischen ihren Anschlüssen eine Spannung induziert wird.
-
Vergrößerung der Windungszahl der Spule
-
Verwendung eines stärkeren, die Spule durchsetzenden Magnetfelds
-
schnellere Änderung des die Spule durchsetzenden Magnetfelds