B2 – Elektrizitätslehre
Bei einer Stationenarbeit im Physikunterricht stehen an jeder Station die Widerstände ,
und ein Widerstand
zur Verfügung. Diese Widerstände werden nun auf unterschiedliche Weise an eine Elektrizitätsquelle (
) angeschlossen.
An Station 1 sind die beiden Widerstände und
in Reihe und der Widerstand
parallel dazu geschaltet.
Zeichne die zugehörige Schaltskizze.
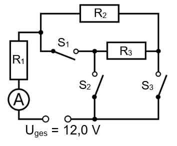
An Station 2 ist die nebenstehende Schaltung aufgebaut. Nach dem Schließen des Schalters zeigt das Stromstärkemessgerät eine Gesamtstromstärke von
an.
Zeige durch Rechnung, dass der Widerstand einen Wert von
besitzt.

In der Schaltung aus 2.1.2 werden die beiden Schalter und
geschlossen und der Schalter
geöffnet.
Berechne die am Stromstärkemessgerät angezeigte Stromstärke.

An Station 3 sind alle drei Widerstände parallel geschaltet.
Begründe, dass in dieser Schaltung die maximal mögliche elektrische Leistung umgesetzt wird.
In einem Versuch rutscht ein starker Scheibenmagnet auf einer schräg gestellten Kupfer- bzw. Glasplatte mit glatter Oberfläche hinab.
Dabei bewegt sich der Magnet auf der Kupferplatte deutlich langsamer als auf der Glasplatte.
Erkläre die im Vergleich zur Glasplatte verlangsamte Bewegung des Magneten auf der Kupferplatte mithilfe der Regel von Lenz.

Entscheide durch Ankreuzen, ob die nachfolgenden Aussagen jeweils wahr (w) oder falsch (f) sind.
Bei sonst gleichen Bedingungen rutscht der Magnet auf der Kupferplatte …
… langsamer hinab als auf einer Eisenplatte.
… langsamer hinab als auf einer geschlitzten Kupferplatte.
w
f
Weiter lernen mit SchulLV-PLUS!
monatlich kündbarSchulLV-PLUS-Vorteile im ÜberblickDu hast bereits einen Account?
-
In einer Parallelschaltung ist der Gesamtwiderstand stets kleiner als der kleinste Einzelwiderstand.
-
Somit ist der Gesamtwiderstand der Parallelschaltung minimal.
-
Die Stromstärke ist gemäß der Formel
bei gleicher Spannung genau dann maximal, wenn der Gesamtwiderstand der Schaltung minimal ist.
-
Aus der Formel für die elektrische Leistung (
) folgt, dass bei gleicher Spannung die elektrische Leistung maximal ist, wenn die Stromstärke maximal ist.
-
Durch die Bewegung des Magneten ändert sich das Magnetfeld, das die Platte durchsetzt, zeitlich.
-
Infolgedessen werden in der Kupferplatte – im Gegensatz zur Glasplatte – Wirbelströme induziert.
-
Diese Wirbelströme sind nach der Regel von Lenz stets so gerichtet, dass ihre Magnetfelder der Ursache ihrer Entstehung, nämlich der Änderung des äußeren Magnetfelds, entgegenwirken. Die Bewegung des Magneten wird daher auf der Kupferplatte – im Gegensatz zur Glasplatte – gehemmt.
Bei sonst gleichen Bedingungen rutscht der Magnet auf der Kupferplatte …
... langsamer hinab als auf einer Eisenplatte.
… langsamer hinab als auf einer geschlitzten Kupferplatte.
w
f