HT 2 — Temperaturmessung mit einem elektromagnetischen Schwingkreis
Kapazitive Sensoren werden für verschiedenste Messzwecke, z. B. zur Druck- oder Abstandsmessung, eingesetzt. Auch Temperaturen können mit geeigneten Kondensatoren gemessen werden. Als Modell eines kapazitiven Sensors wird ein Kondensator im elektromagnetischen Schwingkreis betrachtet.
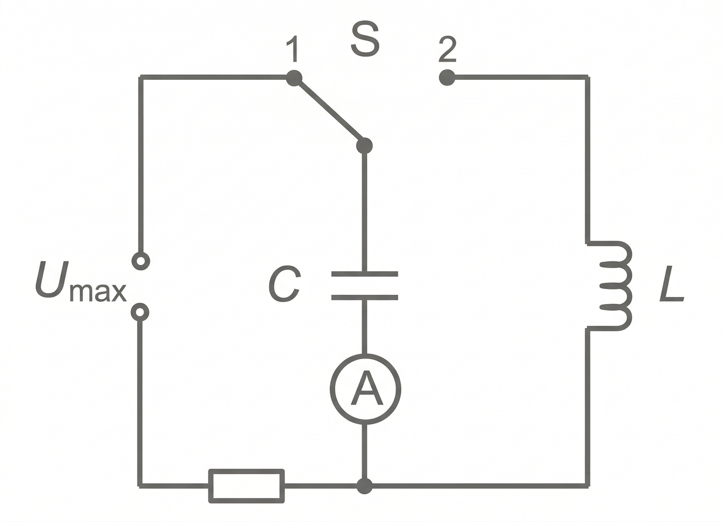
Im ungedämpften elektromagnetischen Schwingkreis (siehe Material 1) wird, nachdem der Kondensator vollständig aufgeladen ist, der Schalter von Position 1 nach 2 bewegt.
Beschreibe die Energieumwandlungen im ersten Viertel der anschließenden Schwingungsperiode.
Leite die nachstehende Beziehung für die maximale Stromstärke im Schwingkreis her:
Bei konstanter Spannung ändert sich die gespeicherte Energie eines verwendeten Plattenkondensators, wenn zwischen die Kondensatorplatten ein Dielektrikum gebracht wird.
Begründe dies, ohne auf die Prozesse im Dielektrikum einzugehen.
Zur Temperaturmessung wird in einem ungedämpften Schwingkreis Wasser als Dielektrikum zwischen den Kondensatorplatten verwendet. In Abhängigkeit von der Temperatur des Wassers ändern sich jeweils die Kapazität
und damit der gemessene zeitliche Verlauf der Stromstärke
im Schwingkreis.
Ermittle mithilfe von Material 2 die Periodendauer sowie die Kapazität
für die Temperatur
Hinweis: Nutze auch die in Abbildung 3 dargestellte Abhängigkeit der relativen Dielektrizitätszahl von der Temperatur
Begründe das Absinken der Stromstärke und der Periodendauer
mit wachsender Temperatur
Der Versuchsaufbau aus Aufgabe 2 wird für die Temperaturmessung in einem bestimmten Temperaturbereich genutzt.
Für eine Beurteilung der Messgenauigkeit in diesem Bereich wird zunächst die Induktivität der Spule bestimmt.
Stelle in einem Diagramm in Abhängigkeit von
für die Messwerte aus der Tabelle dar (siehe Material 2).
Bestimme anhand dieser Darstellung die Induktivität der Spule.
[Kontrollwert: ]
Die aktuelle Temperatur soll im Bereich von bis
auf ein Grad Celsius (
) genau bestimmt werden. In diesem Bereich bedeutet das eine mögliche Messung der Werte
usw. bis
also von insgesamt 71 verschiedenen Temperaturwerten. Eine Auswerteelektronik, mit der aus der gemessenen Frequenz
des Schwingkreises die Temperatur
ermittelt wird, erlaubt eine auf ein Kilohertz (
) genaue Frequenzbestimmung.
Beurteile mithilfe von Material 2, ob die Auswerteelektronik für die angestrebte Messgenauigkeit der Temperatur geeignet ist, indem du die notwendige und die tatsächliche Anzahl an möglichen Frequenzwerten miteinander vergleichst.
In Material 3 ist die Abhängigkeit der Kapazität von der Temperatur
für einen industriellen kapazitiven Sensor dargestellt.
Beurteile die Eignung des Sensors für die Temperaturmessung jeweils in den drei Temperaturbereichen bis
in Abbildung 5.
Weiter lernen mit SchulLV-PLUS!
monatlich kündbarSchulLV-PLUS-Vorteile im ÜberblickDu hast bereits einen Account?Material 1

Abbildung 1: Schaltskizze des elektromagnetischen Schwingkreises
Material 2
Der Kondensator in Abbildung 1 ist ein Plattenkondensator und besteht aus zwei Platten mit einem Flächeninhalt von jeweils und einem Abstand von
Zwischen den Kondensatorplatten befindet sich Wasser, dessen Temperatur verändert werden kann. Für
ergibt sich der in Abbildung 2 dargestellte zeitliche Verlauf der Stromstärke
im Schwingkreis.

Abbildung 2: Stromstärke in Abhängigkeit von der Zeit
bei einer Temperatur von
Mit wird die relative Dielektrizitätszahl in der für den Plattenkondensator geltenden Gleichung
bezeichnet. In Abbildung 3 sind die Werte dieser Dielektrizitätszahl für Wasser in Abhängigkeit von der Temperatur
dargestellt.

Abbildung 3: Relative Dielektrizitätszahl des Wassers in Abhängigkeit von der Temperatur
(Quelle der Daten: Hans-Jürgen Liebscher: Wasser (2000) (verändert; Zugriff: 09.03.2026))
Für vier verschiedene Temperaturen ergeben sich die in der Tabelle dargestellten Messwerte für die Kapazität
und die Periodendauer
|
Nummer der Messung |
|
|
|
|
|---|---|---|---|---|
|
Temperatur |
|
|
|
|
|
Kapazität |
|
|
|
|
|
Periodendauer |
|
|
|
|
|
|
Tabelle: Messwerte
Material 3
.png)
Abbildung 4: Temperatursensor CS-501

Abbildung 5: Kapazität des Sensors CS-501 in Abhängigkeit von der Temperatur
die Skalierung der Achsen spielt keine Rolle
Weiter lernen mit SchulLV-PLUS!
monatlich kündbarSchulLV-PLUS-Vorteile im ÜberblickDu hast bereits einen Account?-
Zu Beginn des Beobachtungszeitraums (
) ist die gesamte Energie des Schwingkreises in Form von elektrischer Energie im elektrischen Feld des Kondensators gespeichert.
-
Im darauffolgenden Intervall (
) setzt der Entladevorgang ein, die Spannung und die elektrische Feldstärke nehmen folglich ab und es baut sich ein magnetisches Feld in der Spule auf. Dadurch wird die elektrische Energie des Kondensators immer mehr in magnetische Energie der Spule umgewandelt.
-
Nach einem Viertel der Schwingungsdauer (
) ist der Kondensator vollständig entladen, die elektrische Feldstärke
ist null, während die magnetische Flussdichte
maximal ist. Die gesamte Energie des Schwingkreises ist im Magnetfeld der Spule gespeichert.
Es gelten:
und
Die maximale Stromstärke lässt sich über den Energieerhaltungssatz herleiten. Die maximale elektrische Energie im Kondensator
entspricht der maximalen magnetischen Energie in der Spule
Das kann nach der maximalen Stromstärke aufgelöst werden:
Das Einbringen eines Dielektrikums bewirkt gemäß der Gleichung eine Erhöhung der Kapazität
des Kondensators.
Wird die Formel für die elektrische Energie betrachtet, so zeigt sich bei gleichbleibender anliegender Maximalspannung
eine direkte Proportionalität zwischen der Kapazität
und der im Kondensator gespeicherten elektrischen Energie
Aufgrund der durch das Dielektrikum vergrößerten Kapazität nimmt folglich auch die Menge der gespeicherten elektrischen Energie
zu.
Zur genaueren Bestimmung der Periodendauer wird die Dauer mehrerer Schwingungsperioden aus Abbildung 2 abgelesen und durch die Anzahl der durchlaufenen Perioden geteilt. Werden fünf Perioden abgezählt, ergibt sich:
Zur Berechnung der Kapazität wird die Formel für die Kapazität eines Plattenkondensators herangezogen:
Aus Abbildung 3 kann der Wert für die Temperatur
abgelesen werden, somit ergibt sich für die Kapazität
Wie Abbildung 3 zu entnehmen ist, nimmt die Dielektrizitätszahl und damit auch die Kapazität des Kondensators mit zunehmender Temperatur ab. Da
und
konstant sind, ergibt sich aus der in Aufgabenteil 1b) hergeleiteten Gleichung die Proportionalität
Daraus folgt, dass mit dem Rückgang der Kapazität
auch die maximale Stromstärke
sinkt.
Des Weiteren beschreibt die Thomson'sche Schwingungsgleichung die Abhängigkeit der Periodendauer von der Induktivität und der Kapazität:
Daraus folgt unmittelbar die Proportionalität Demzufolge verringert sich bei höheren Temperaturen
ebenso die Periodendauer
.
|
Nummer der Messung |
|
|
|
|
|---|---|---|---|---|
|
Temperatur |
|
|
|
|
|
Kapazität |
|
|
|
|
|
Periodendauer |
|
|
|
|
|
|
|
|
|
|
Damit ergibt sich folgendes Diagramm:

Aufgrund der in Aufgabenteil 2b) hergeleiteten Proportionalität muss die Proportionalität
gelten. Folglich ist zu erwarten, dass die eingetragenen Messwertpaare zumindest näherungsweise auf einer Ursprungsgeraden liegen.
Die zugehörige Proportionalitätskonstante lässt sich aus der Thomson'schen Schwingungsgleichung ableiten:
mit
Eine lineare Regressionsanalyse mithilfe des GTRs liefert für die Steigung den Wert:
Durch Umstellen der Gleichung für nach der Induktivität
und Einsetzen des berechneten Wertes für
ergibt sich das Endergebnis:
Für die untere Grenze des vorgegebenen Temperaturintervalls resultiert mit der Dielektrizitätszahl (siehe Abbildung 3) die Kapazität:
Analog ergibt sich für die obere Grenze mit ein Wert von:
(Beide Werte sind hier jeweils auf zwei signifikante Stellen gerundet.)
Unter Einbezug des zuvor ermittelten Kontrollwertes für die Induktivität aus Aufgabenteil 3a) lassen sich mithilfe der Thomson'schen Schwingungsgleichung die entsprechenden Grenzen des Frequenzintervalls bestimmen:
(Beide Werte sind hier jeweils auf zwei signifikante Stellen gerundet.)
Innerhalb dieses Frequenzbereichs ermöglicht die vorgegebene Messgenauigkeit der Elektronik (Auflösung von ) lediglich die Unterscheidung von 31 verschiedenen Werten. Um jedoch die Temperatur im geforderten Intervall gradgenau erfassen zu können, wären 71 unterscheidbare Werte zwingend erforderlich. Daraus lässt sich schlussfolgern, dass die vorliegende Auswerteelektronik für die angestrebte Temperaturmessgenauigkeit nicht geeignet ist.
-
Temperaturbereich
: Im ersten Intervall nimmt die Kapazität bei einem Anstieg der Temperatur kontinuierlich zu. Durch diese eindeutige Zuordnung lässt sich der Sensor mit entsprechender Auswerteelektronik in diesem Bereich für die Temperaturmessung einsetzen.
-
Temperaturbereich
: Im zweiten Intervall erreicht die Kapazität zunächst einen Maximalwert und verringert sich danach wieder. Das führt dazu, dass einem einzelnen Kapazitätswert potenziell zwei unterschiedliche Temperaturen zugeordnet werden können. Wegen dieser fehlenden Eindeutigkeit ist der Sensor für Messungen in diesem Temperaturintervall ungeeignet.
-
Temperaturbereich
: Im dritten Intervall ist ein stetiges Absinken der Kapazität bei steigenden Temperaturen zu beobachten. Wie im ersten Intervall erlaubt diese eindeutige Zuordnung wieder einen zuverlässigen Einsatz des Sensors zur Bestimmung der Temperatur.