Aufgabe 2 — Temperaturmessung mit einem elektromagnetischen Schwingkreis
Kapazitive Sensoren werden für verschiedenste Messzwecke, z. B. zur Druck- oder Abstandsmessung eingesetzt. Auch Temperaturen können mit geeigneten Kondensatoren gemessen werden. Als Modell eines kapazitiven Sensors wird ein Kondensator im elektromagnetischen Schwingkreis betrachtet.
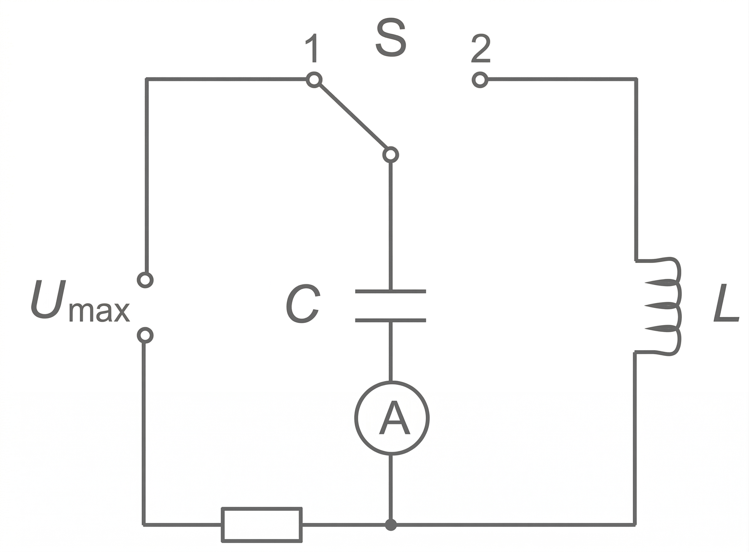
Im ungedämpften elektromagnetischen Schwingkreis (siehe M 7) wird, nachdem der Kondensator vollständig aufgeladen ist, der Schalter von Position 1 nach 2 bewegt.
Beschreibe die Energieumwandlungen innerhalb der ersten viertel Schwingungsperiode.
Leite nachstehende Beziehung für die maximale Stromstärke im Schwingkreis her:
Bei konstanter Spannung ändert sich die gespeicherte Energie des Kondensators, wenn zwischen die Kondensatorplatten ein Dielektrikum gebracht wird.
Begründe dies, ohne auf die Prozesse im Dielektrikum einzugehen.
Es wird nun im ungedämpften Schwingkreis Wasser als Dielektrikum untersucht. Gemessen wird der zeitliche Verlauf der Stromstärke für vier verschiedene Temperaturen (siehe M 8).
Ermittle die Periodendauer sowie die Kapazität
für die Messungen 1 und 4 mithilfe von M 8. Ergänze die Werte in Tabelle 1. Nutze auch die in Abbildung 9 dargestellte Abhängigkeit der relativen Dielektrizitätszahl von der Temperatur.
Begründe die Veränderung der Periodendauer und der Stromstärke
Der Versuchsaufbau aus Aufgabe 2.2 wird für die Temperaturmessung im Bereich von bis
genutzt. Eine Auswerteelektronik soll über die Frequenzänderung im zeitlichen Verlauf der Stromstärke die aktuelle Temperatur auf ein Grad Celsius genau bestimmen. Für eine Beurteilung, ob die geforderte Messgenauigkeit erreicht wird, muss zunächst die Induktivität
der Spule bestimmt werden (siehe M 8).
Stelle in einem Diagramm in Abhängigkeit von
für die Messwerte aus Tabelle 1 dar.
Bestimme aus der Darstellung die Induktivität der Spule.
[Kontrollwert: ]
Beurteile, ob der Aufbau für diesen Messbereich geeignet ist, wenn die Frequenzbestimmung mit einer Genauigkeit von erfolgt.
In M 9 ist die Abhängigkeit der Kapazität von der Temperatur in für einen industriellen kapazitiven Sensor dargestellt.
Beurteile die Eignung des Sensors für die Temperaturmessung unter Berücksichtigung von drei verschiedenen Temperaturbereichen.
Weiter lernen mit SchulLV-PLUS!
monatlich kündbarSchulLV-PLUS-Vorteile im ÜberblickDu hast bereits einen Account?M 7 Modellversuch zum kapazitiven Sensor

Abbildung 6: Schaltskizze des elektromagnetischen Schwingkreises
M 8 Messwerte für verschiedene Temperaturen des Dielektrikums
Der Plattenkondensator hat eine Plattenfläche von
und einen Plattenabstand von
Zwischen den Kondensatorplatten befindet sich destilliertes Wasser, dessen Temperatur verändert wird.
|
Nummer der Messung |
Temperatur |
Kapazität |
Periodendauer |
|
|
|
|
|||
|
|
|
|
|
|
|
|
|
|
|
|
|
|
|
Tabelle 1: Messwerte aus dem Zusammenhang zwischen Strom und Zeit bei verschiedenen Temperaturen

Abbildung 7: Zusammenhang zwischen Strom und Zeit bei einer Temperatur von

Abbildung 8: Zusammenhang zwischen Strom und Zeit bei einer Temperatur von

Abbildung 9:Relative Dielektrizitätszahl des Wassers in Abhängigkeit von der Temperatur
M 9 Kapazitiver Temperatursensor CS-501
![]()
Abbildung 10: Kapazität in Abhängigkeit von der Temperatur am Sensor CS-501 |
![]()
Abbildung 11: Temperatursensor CS-501 |
Weiter lernen mit SchulLV-PLUS!
monatlich kündbarSchulLV-PLUS-Vorteile im ÜberblickDu hast bereits einen Account?-
Zu Beginn des Beobachtungszeitraums (
) ist die gesamte Energie des Schwingkreises in Form von elektrischer Energie im elektrischen Feld des Kondensators gespeichert.
-
Im darauffolgenden Intervall (
) setzt der Entladevorgang ein, die Spannung und die elektrische Feldstärke nehmen folglich ab und es baut sich ein magnetisches Feld in der Spule auf. Dadurch wird die elektrische Energie des Kondensators immer mehr in magnetische Energie der Spule umgewandelt.
-
Nach einem Viertel der Schwingungsdauer (
) ist der Kondensator vollständig entladen, die elektrische Feldstärke
ist null, während die magnetische Flussdichte
maximal ist. Die gesamte Energie des Schwingkreises ist im Magnetfeld der Spule gespeichert.
Es gelten:
und
Die maximale Stromstärke lässt sich über den Energieerhaltungssatz herleiten. Die maximale elektrische Energie im Kondensator
entspricht der maximalen magnetischen Energie in der Spule
Das kann nach der maximalen Stromstärke aufgelöst werden:
Das Einbringen eines Dielektrikums bewirkt gemäß der Gleichung eine Erhöhung der Kapazität
des Kondensators.
Wird die Formel für die elektrische Energie betrachtet, so zeigt sich bei gleichbleibender anliegender Maximalspannung
eine direkte Proportionalität zwischen der Kapazität
und der im Kondensator gespeicherten elektrischen Energie
Aufgrund der durch das Dielektrikum vergrößerten Kapazität nimmt folglich auch die Menge der gespeicherten elektrischen Energie
zu.
Zur genaueren Bestimmung der Periodendauer wird die Dauer mehrerer Schwingungsperioden aus Abbildung 7 und 8 abgelesen und durch die Anzahl der durchlaufenen Perioden geteilt. Dadurch ergibt sich:
Zur Berechnung der Kapazität wird die Formel für die Kapazität eines Plattenkondensators herangezogen:
Aus Abbildung 9 kann der Wert für die Temperatur
und der Wert
für die Temperatur
abgelesen werden, somit ergeben sich folgende Kapazitäten
Damit kann die Tabelle vervollständigt werden:
|
Nummer der Messung |
Temperatur |
Kapazität |
Periodendauer |
|
|
|
|
|
|
|
|
|
|
|
|
|
|
|
|
|
|
|
|
|
|
|
|
|
Wie Abbildung 9 zu entnehmen ist, nimmt die Dielektrizitätszahl und damit auch die Kapazität des Kondensators mit zunehmender Temperatur ab. Da
und
konstant sind, ergibt sich aus der in Aufgabenteil 2.1.2 hergeleiteten Gleichung die Proportionalität
Daraus folgt, dass mit dem Rückgang der Kapazität
auch die maximale Stromstärke
sinkt.
Des Weiteren beschreibt die Thomson'sche Schwingungsgleichung die Abhängigkeit der Periodendauer von der Induktivität und der Kapazität:
Daraus folgt unmittelbar die Proportionalität Demzufolge verringert sich bei höheren Temperaturen
ebenso die Periodendauer
.
Erstellen eines Diagramms aus den Messwerten

Bestimmen der Induktivität der Spule
Aufgrund der in Aufgabenteil 2.2 hergeleiteten Proportionalität muss die Proportionalität
gelten. Folglich ist zu erwarten, dass die eingetragenen Messwertpaare zumindest näherungsweise auf einer Ursprungsgeraden liegen.
Die zugehörige Proportionalitätskonstante lässt sich aus der Thomson'schen Schwingungsgleichung ableiten:
mit
Aus dem Diagramm kann die Steigung z.B. über ein Steigungsdreieck bestimmt werden:
Durch Umstellen der Gleichung für nach der Induktivität
und Einsetzen des Wertes für
ergibt sich das Endergebnis:
Für die untere Grenze des vorgegebenen Temperaturintervalls resultiert mit der Dielektrizitätszahl (siehe Abbildung 9) die Kapazität:
Analog ergibt sich für die obere Grenze mit ein Wert von:
(Beide Werte sind hier jeweils auf zwei signifikante Stellen gerundet.)
Unter Einbezug des zuvor ermittelten Kontrollwertes für die Induktivität aus Aufgabenteil 2.3.1 lassen sich mithilfe der Thomson'schen Schwingungsgleichung die entsprechenden Grenzen des Frequenzintervalls bestimmen:
(Beide Werte sind hier jeweils auf zwei signifikante Stellen gerundet.)
Das nutzbare Frequenzintervall beträgt also nur etwa
Innerhalb dieses Frequenzbereichs ermöglicht die vorgegebene Messgenauigkeit der Elektronik (Auflösung von ) lediglich die Unterscheidung von 3 bis 4 verschiedenen Werten. Um jedoch die Temperatur im geforderten Intervall gradgenau erfassen zu können, wären 12 unterscheidbare Werte zwingend erforderlich. Daraus lässt sich schlussfolgern, dass die vorliegende Auswerteelektronik für die angestrebte Temperaturmessgenauigkeit nicht geeignet ist.
-
Temperaturbereich
(
bis etwa
): Im ersten Intervall nimmt die Kapazität bei einem Anstieg der Temperatur kontinuierlich zu. Durch diese eindeutige Zuordnung lässt sich der Sensor mit entsprechender Auswerteelektronik in diesem Bereich für die Temperaturmessung einsetzen.
-
Temperaturbereich
(
bis etwa
): Im zweiten Intervall erreicht die Kapazität zunächst einen Maximalwert und verringert sich danach wieder. Das führt dazu, dass einem einzelnen Kapazitätswert potenziell zwei unterschiedliche Temperaturen zugeordnet werden können. Wegen dieser fehlenden Eindeutigkeit ist der Sensor für Messungen in diesem Temperaturintervall ungeeignet.
-
Temperaturbereich
(oberhalb
): Im dritten Intervall ist ein stetiges Absinken der Kapazität bei steigenden Temperaturen zu beobachten. Wie im ersten Intervall erlaubt diese eindeutige Zuordnung wieder einen zuverlässigen Einsatz des Sensors zur Bestimmung der Temperatur.

