Aufgabe 4 — Elektromagnetische Induktion
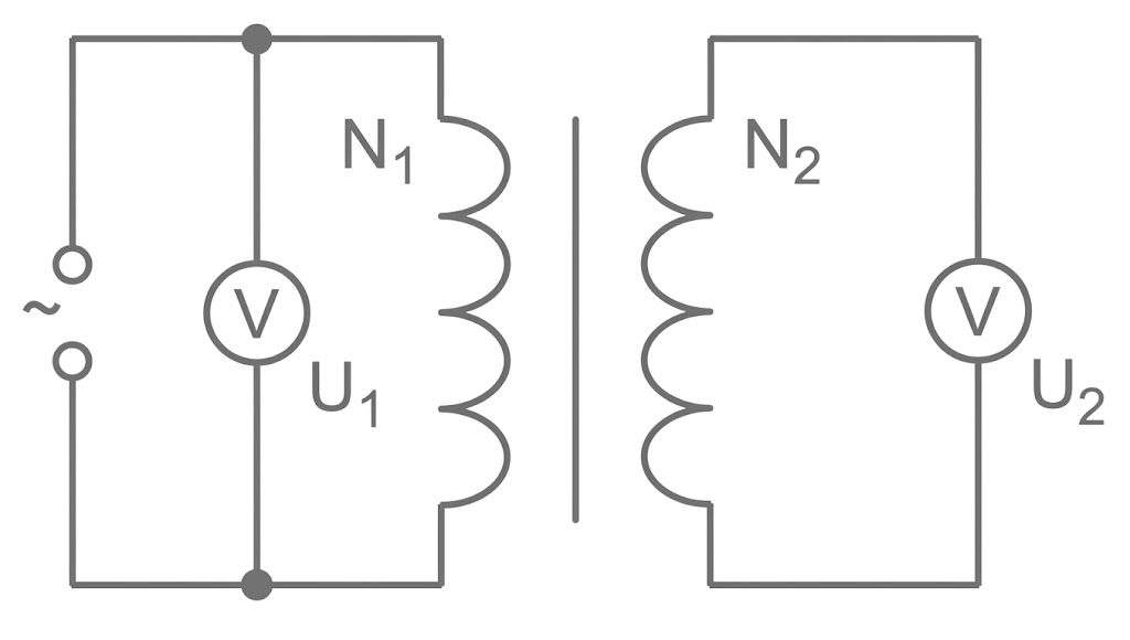
Zwei Spulen sind durch einen gemeinsamen, geschlossenen Eisenkern (- und
-Kern) induktiv verbunden. An der Spule 1 liegt eine Wechselspannung mit der Netzfrequenz
an. Diese Spannung
sowie die Induktionsspannung
an der Spule 2 sollen gemessen werden. Angaben zur Spannung
und den Windungszahlen
und
der beiden Spulen sind am Arbeitsplatz vorgegeben.
Zeichne einen Schaltplan für diese Anordnung.
Erkläre mit Hilfe der Gleichung dass in Spule 2 unter diesen Bedingungen eine Spannung
induziert wird.
Dieser Versuch soll zur Bestimmung der Blattdicke von Papier bzw. Karton verwendet werden.
Lege zwischen - und
-Kern der Experimentieranordnung eine zunehmende Anzahl
von Papierstreifen. Die Papierstreifen haben die Dicke
diesen Wert erhältst du am Arbeitsplatz.

Abb. 5: Anordnung der Spulen mit Papierstreifen
Messe und protokolliere für 0 bis 6 übereinandergelegte Papierstreifen jeweils die beiden Spannungen und
Stelle die Messwerte in einem -Diagramm dar. Dabei ist
die Gesamtdicke der Papierstreifen.
Beschreibe und interpretiere den Kurvenverlauf.
Am Arbeitsplatz erhältst du einen Kartonstreifen unbekannter Dicke.
Bestimme mit Hilfe einer Spannungsmessung die Dicke dieses Kartonstreifens.
Weiter lernen mit SchulLV-PLUS!
monatlich kündbarSchulLV-PLUS-Vorteile im ÜberblickDu hast bereits einen Account?Schaltplan zeichnen

Induktionsspannung erklären
Das Stromversorgungsgerät des Experimentes arbeitet mit Netzfrequenz Mit dieser Frequenz wird das Magnetfeld in der Spule 1 (Feldspule) auf- und abgebaut. Das von der Spule 1 aufgebaute Wechselmagnetfeld durchdringt über den geschlossenen Eisenkern nahezu vollständig die Spule 2 (Induktionsspule). Somit ändert sich die magnetische Flussdichte
in der Induktionsspule und folglich auch der magnetische Fluss
Da die Querschnittsfläche
der Spule und ihre Windungszahl
konstant sind, wird aufgrund der Gleichung
eine von Null verschiedene Spannung
induziert.
Messen und protokollieren
Werte aufgenommen mit einem Papierstreifen und den Spulen
liefert z.B.:
|
|
|
|
|---|---|---|
|
|
|
|
|
|
|
|
|
|
|
|
|
|
|
|
|
|
|
|
|
|
|
|
|
|
|
|
Messwerte darstellen

Kurvenverlauf beschreiben und interpretieren
Näherungsweise ist ein linearer Zusammenhang erkennbar. (Bei großen Dicken gilt dieser Zusammenhang nicht. Mit dem CAS kann dann hier eine Regression durchgeführt werden.) Mit zunehmender Dicke der Papierschicht nimmt die Induktionsspannung
ab. Dabei wird der geschlossene Eisenkern immer mehr zum offenen U-Kern und das Wechselfeld der Feldspule 1 umfasst immer weniger die Induktionsspule 2. Somit sinkt die magnetische Flussdichte in der Induktionsspule 2.
Zunächst wird die Spannung für den erhaltenen Kartonstreifen gemessen. Mit Hilfe des Diagramms der Messwerte aus Aufgabe 4.2.2 kann dann die bisher unbekannte Dicke abgelesen und somit bestimmt werden.