Vorschlag B1 — Kondensatoren und Defibrillatoren
Ein luftgefüllter Plattenkondensator besitzt quadratische Platten mit einer Kantenlänge von die sich parallel im Abstand
gegenüberstehen (Material 1a). An den Kondensator wird die Spannung
angelegt. In das homogene elektrische Feld des Plattenkondensators werden an elektrisch isolierten Griffen zwei dünne quadratische Aluminiumplättchen mit der Kantenlänge
eingebracht (Material 1b). Die Plättchen berühren sich zunächst und werden dann im Feld des Plattenkondensators getrennt (Material 1c). Im Folgenden soll für die Luft
verwendet werden.
Zeichne, unter Vernachlässigung von Randeffekten, in Material 1a bis 1c jeweils die elektrischen Feldlinien zwischen den Kondensatorplatten ein. Beschreibe und erkläre, wie die getrennten Aluminiumplättchen das elektrische Feld verändern.
An den Kondensator wird die Spannung angelegt. Die Aluminiumplättchen werden im Feld des Kondensators getrennt und mit einem Messverstärker wird auf den Plättchen die Ladung
nachgewiesen. Berechne den Plattenabstand
der Kondensatorplatten. Gehe dabei davon aus, dass die Flächenladungsdichten, also die Ladungsmengen pro Fläche, auf den Plättchen und den Kondensatorplatten gleich groß sind.
Es werden weiterhin Kondensatoren mit quadratischen Platten mit der Kantenlänge und dem Plattenabstand
verwendet. Für Luft soll
verwendet werden.
Ein zunächst luftgefüllter Plattenkondensator mit der Kantenlänge und dem Plattenabstand
wird an eine Spannungsquelle mit der Spannung
angeschlossen und aufgeladen.
Anschließend wird der Kondensator von der Spannungsquelle getrennt und ein Dielektrikum mit in den Kondensator geschoben, sodass der Zwischenraum zwischen den Platten vollständig gefüllt ist.
Ermittle, um welchen Faktor sich die zwischen den Platten anliegende Spannung und die elektrische Feldstärke im Kondensator durch das Einschieben des Dielektrikums jeweils ändern.
Material 2 zeigt einen Plattenkondensator, bei dem das Dielektrikum den Zwischenraum gemäß der Abbildung nur auf der Länge ausfüllt.
Zeige, dass für die Kapazität des Kondensators
gilt.
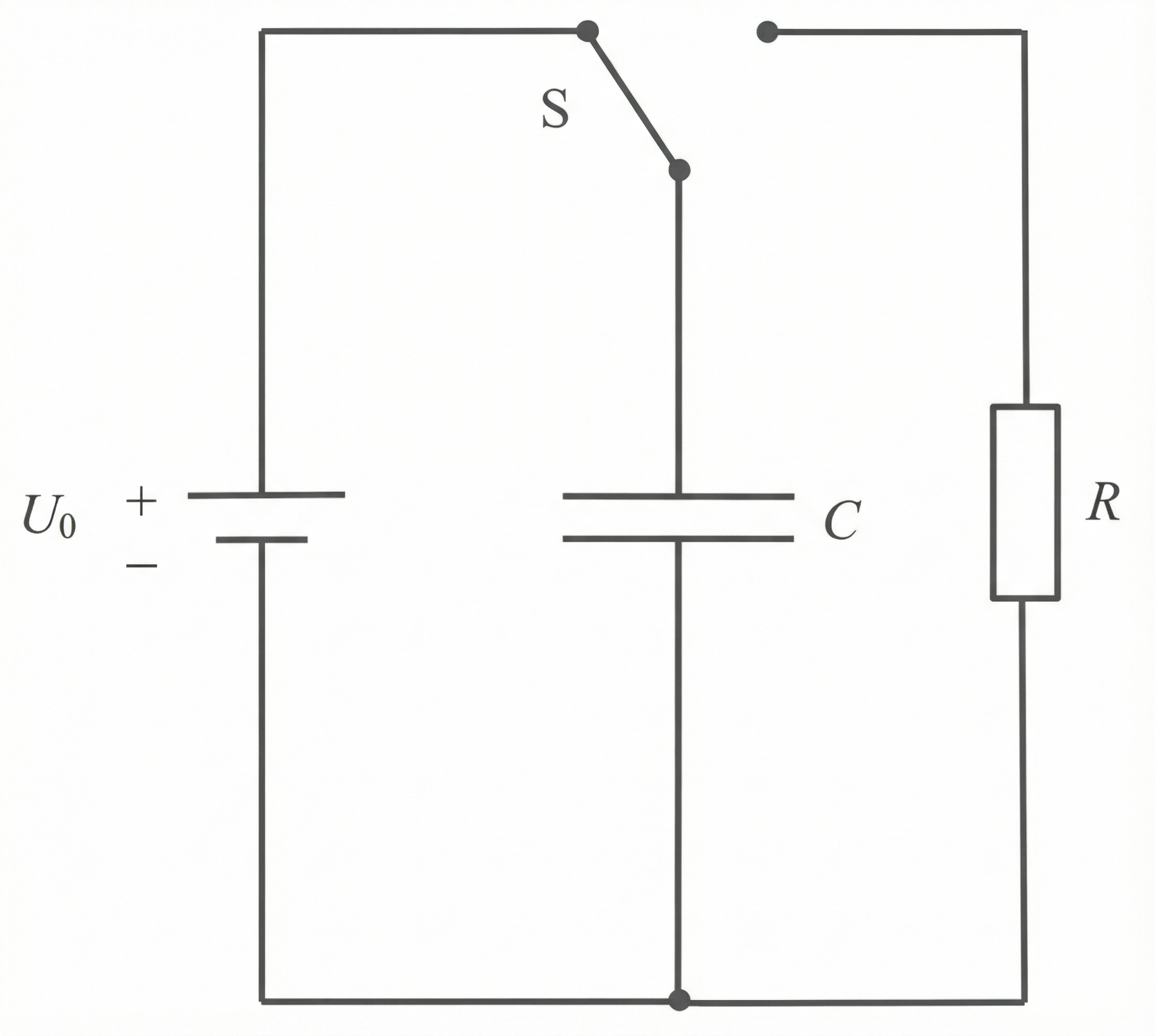
In der Medizin werden Defibrillatoren zur Wiederherstellung eines korrekten Herzrhythmus verwendet. Dazu wird über Elektroden, die zB. auf den Oberkörper eines Patienten gepresst oder aufgeklebt werden, elektrischer Strom durch den menschlichen Körper geleitet. Die dazu benötigte elektrische Ladung wird in einem Kondensator gespeichert und dann auf Knopfdruck innerhalb eines kurzen Zeitraums an den Patienten abgegeben.
Betrachtet wird im Folgenden ein Kondensator mit der Kapazität Der Kondensator wird auf die Spannung
aufgeladen und durch Umlegen eines Schalters
zum Zeitpunkt
über den Widerstand
entladen (Material 3). Beim Entladen nimmt die Spannung gemäß dem in Material 4 dargestellten
-Diagramm ab.
Berechne die elektrische Ladung und die elektrische Energie, die bei der angelegten Spannung im Kondensator gespeichert sind.
Bestimme mithilfe von Material 4 die im Zeitintervall bis
abgegebene Energie und die durchschnittliche Stromstärke, die in dieser Zeit geflossen ist.
Der Entladevorgang des Kondensators lässt sich mithilfe der folgenden Differenzialgleichung beschreiben:
Leite ausgehend von einem Ansatz für die Spannung diese Differenzialgleichung her.
Zeige, dass die Funktion
eine Lösung der Differenzialgleichung ist.
Für die Zeit nach der die Spannung am Kondensator auf die Hälfte des Anfangswerts
abgesunken ist, gilt:
Leite mithilfe der Funktion aus Aufgabe 3.2 diese Formel her. Ermittle für den in Material 4 dargestellten Entladevorgang den Betrag des verwendeten Widerstands.
Bei einer gegebenen Kondensatorspannung ist der Körperwiderstand
einer Patientin bzw. eines Patienten zwischen den Elektroden für die durch das Herz fließende Stromstärke entscheidend. Diese muss einerseits ausreichen, um die Funktion des Herzens zu normalisieren, andererseits darf sie nicht zu groß sein, da dies Schäden am Reizleitungssystem und am Herzmuskel nach sich ziehen kann. Automatische Defibrillatoren, die auch von Laien bedient werden können, messen den Körperwiderstand und passen die Kondensatorspannung entsprechend an.
Untersuche, in welchem Verhältnis die Spannungen am Kondensator stehen müssen, wenn bei zwei Patienten mit verschiedenen Körperwiderständen und
die gleiche maximale Stromstärke fließen soll.
Weiter lernen mit SchulLV-PLUS!
monatlich kündbarSchulLV-PLUS-Vorteile im ÜberblickDu hast bereits einen Account?Material 1: Plattenkondensator ohne und mit Aluminiumplättchen
a
b
c
Material 2: Kondensator mit Dielektrikum

Die Abbildung ist nicht maßstäblich.
Material 3: Schaltung zum Auf- und Entladen eines Kondensators

Material 4: Entladekurve des Kondensators

Weiter lernen mit SchulLV-PLUS!
monatlich kündbarSchulLV-PLUS-Vorteile im ÜberblickDu hast bereits einen Account?Kondensatorplatten mit eingezeichneten Feldlinien
Zeichnung a:
Zeichnung b:
Zeichnung c:
Beschreibung und Erklärung des elektrischen Felds:
-
Zeichnung a: Zwischen den beiden Kondensatorplatten des luftgefüllten Plattenkondensators befinden sich noch keine Aluminiumplättchen. Es bildet sich im Bereich zwischen den Kondensatorplatten ein homogenes elektrisches Feld aus. Die Feldlinien verlaufen gleichmäßig, geradlinig und parallel von der positiv geladenen zur negativ geladenen Kondensatorplatte.
-
Zeichnung b: Zwischen den Kondensatorplatten befinden sich zwei Aluminiumplättchen, die sich berühren. Dadurch verhalten sie sich wie ein zusammenhängender Leiter. Durch das äußere elektrische Feld kommt es zur Influenz, die beweglichen Elektronen im Leiter werden im Feld verschoben. Da die positiv geladene Kondensatorplatte die negativ geladenen Elektronen anzieht, sammelt sich überschüssige negative Ladung auf der dem Pluspol zugewandten Seite. Auf Grund dieser Ladungstrennung wird das linke Plättchen negativ geladen, das rechte positiv.
-
Zeichnung c: Werden die beiden Plättchen nach der Influenz auseinandergezogen, bleibt die zuvor entstandene Ladungstrennung bestehen: Das eine Plättchen trägt nun eine negative, das andere eine positive Nettoladung. Da die Flächenladungsdichte im homogenen Feld überall gleich ist, entspricht die Flächenladungsdichte auf den Plättchen derjenigen auf den Kondensatorplatten. Zwischen den beiden getrennten Plättchen baut sich dadurch ein zusätzliches elektrisches Feld auf, das gleich stark und ebenfalls homogen, dem ursprünglichen Kondensatorfeld aber entgegengerichtet ist. Beide Felder überlagern sich und heben sich zwischen den Plättchen so gut wie auf, dadurch entsteht ein praktisch feldfreier Raum.
Zwischen den Platten eines luftgefüllten Plattenkondensators gilt für dessen homogenes Feld Für die Flächenladungsdichte
auf einer Leiteroberfläche im homogenen Feld gilt:
In der Aufgabenstellung ist angegeben, dass die Flächenladungsdichten auf den großen Kondensatorplatten und den kleinen Aluminiumplättchen identisch sind.
Die Flächenladungsdichte der Plättchen ist definitionsgemäß Da die Plättchen quadratisch sind, gilt
Daraus folgt:
Einsetzen der Werte führt zum gesuchten Plattenabstand
Der Kondensator wird zunächst auf geladen und anschließend von der Spannungsquelle getrennt. Damit bleibt die gespeicherte Ladung
erhalten.
Wird ein Dielektrikum vollständig eingeführt, erhöht sich die Kapazität auf
Es gilt Somit folgt für die Spannung im Dielektrikum:
Daraus folgt, dass die Spannung durch das Einschieben des Dielektrikums um den Faktor fünf reduziert wird.
Für die elektrische Feldstärke zwischen den Platten gilt Außerdem gilt die Gleichung
Daraus folgt:
Damit wird auch die Feldstärke durch das Einschieben des Dielektrikums um den Faktor fünf reduziert.
Ist der Raum zwischen den Kondensatorplatten nur teilweise mit einem Dielektrikum gefüllt, wirkt der Kondensator wie zwei parallel geschaltete Plattenkondensatoren. Somit addieren sich die Kapazitäten der beiden Kondensatoren, die aber weiterhin beide die gleiche Spannung und den gleichen Plattenabstand
besitzen.
Die Fläche der Kondensatorplatten des mit einem Dielektrikum gefüllten Kondensators beträgt
die Fläche der Kondensatorplatten des mit Luft gefüllten Kondensators beträgt
Daraus folgt:
Das entspricht der gesuchten Formel.
Berechnung der elektrischen Ladung und der elektrischen Energie
Die Ladung berechnet sich für einen vollständig geladenen Kondensator mit:
Die im geladenen Kondensator gespeicherte elektrische Energie berechnet sich mit:
Bestimmung der abgegebenen Energie
Die im Kondensator gespeicherte Energie beträgt:
Die im Zeitintervall von bis
abgegebene Energie ist die Differenz der Anfangsenergie
und der im Kondensator gespeicherten Energie nach
Um
zu bestimmen, wird die Spannung nach
im Diagramm aus Material
abgelesen,
wurde bereits bestimmt:
Daraus folgt:
Bestimmung der durchschnittlichen Stromstärke
Um die durchschnittliche Stromstärke berechnen zu können, muss zunächst die im Zeitintervall von bis
abgegebene Ladungsmenge
berechnet werden. Diese ist die Differenz der Anfangsladungsmenge
und der Ladungsmenge nach
Die Ladungsmenge lässt sich zu jedem Zeitpunkt mit
berechnen und aus dem Diagramm lässt sich
ablesen. Daraus folgt:
Die mittlere Stromstärke berechnet sich mit . Somit beträgt die mittlere Stromstärke im Zeitintervall von
bis
Herleitung der Differentialgleichung
Laut der Kirchhoff'schen Maschenregel addieren sich in einem elektrischen Netzwerk die Teilspannungen aller Maschen zu null. Die einzigen beiden Maschen sind beim Entladen des Kondensators der Kondensator und der Widerstand, daraus folgt:
Da die gesuchte Differenzialgleichung am Ende aber nur von und
abhängen soll, müssen die Spannungen umgeformt werden:
Einsetzen in die Maschenregel ergibt:
Das ist die gesuchte Differenzialgleichung.
Nachweis des angegebenen Lösungsansatzes
Um den in der Aufgabe angegebenen Lösungsansatz zu überprüfen, muss zuerst die erste Ableitung des Lösungsansatzes gebildet werden:
Das kann in die Differenzialgleichung eingesetzt und aufgelöst werden:
Somit ist was korrekt ist, der Lösungsansatz ist also richtig.
Herleitung der Formel für die Halbwertszeit 

Die Halbwertszeit ist der Zeitpunkt, zu dem die im Kondensator gespeicherte Ladung halbiert ist und ist definiert durch
Aus Teilaufgabe 3.2 ergibt sich durch Einsetzen von
außerdem, dass
gilt.
Durch Gleichsetzen ergibt sich:
Das entspricht der gesuchten Formel.
Ermittlung des Betrags des Widerstands
Die hergeleitete Formel für die Halbwertszeit lässt sich nach dem Widerstand auflösen:
Aus dem Graphen aus Material lässt sich für die Halbwertszeit ungefähr der Wert
herauslesen, zudem ist in der Aufgabenstellung
gegeben. Somit ergibt sich als Widerstand
Somit ist der Betrag des verwendeten Widerstands ungefähr
Für die Stromstärke gilt beim Entladen des Kondensators zu jedem Zeitpunkt
ist also maximal, wenn
maximal ist. Die Kondensatorspannung fällt nach dem Schließen des Schalters exponentiell ab. Somit ist sie in dem Moment maximal, in dem der Schalter geschlossen wird, sie beträgt zu diesem Zeitpunkt
Daraus folgt:
Sollen zwei Personen mit unterschiedlichen Widerständen und
denselben Maximalstrom erhalten, muss somit folgendes Spannungsverhältnis gelten: