Aufgabe 1 — Sicherheit im Stromkreis
Fehlerhafte Elektroinstallationen stellen eine große Gefahr im Haus dar. Zum Schutz sind Sicherheitsschalter erforderlich, die beim Überschreiten der zulässigen Stromstärke die elektrische Energieversorgung automatisch abschalten.
In Material 1 ist ein experimenteller Aufbau dargestellt, der als Sicherheitsschalter dienen kann.
Erkläre die Funktionsweise des Aufbaus als Sicherheitsschalter.
Begründe, dass bei diesem Sicherheitsschalter auf die richtige Polung der elektrischen Anschlüsse geachtet werden muss.
Erläutere, dass der Sicherheitsschalter erst ab einer bestimmten Stromstärke auslöst.
In einem Schülerexperiment wurde die Kraft auf einen stromdurchflossenen Leiter näher untersucht. In Material 2 ist das zugehörige Versuchsprotokoll auszugsweise dargestellt.
Beschreibe eine zu dem Versuchsprotokoll passende Versuchsdurchführung.
Erkläre die Beobachtung 1 in dem Versuchsprotokoll.
Werte das Experiment aus und begründe damit das Versuchsergebnis.
Erkläre die physikalische Bedeutung der Proportionalitätskonstanten im Versuchsergebnis.
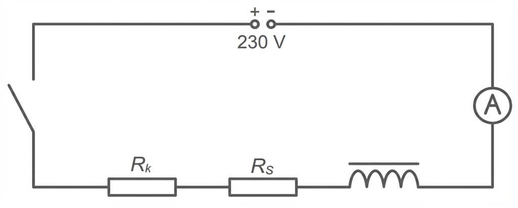
In üblichen Leitungsschutzschaltern im Haushalt befindet sich neben einer thermischen Sicherung zusätzlich eine elektromagnetische Sicherung. Die elektromagnetische Sicherung, die den Stromkreis ab einer Stromstärke von unterbricht, besteht unter anderem aus einer Spule mit einem beweglichen Eisenkern. Um das Auslösen der elektromagnetischen Sicherung genauer zu untersuchen, wurde deren Spule mit Eisenkern in einen Stromkreis wie in Material 3 eingebaut und das beschriebene Experiment durchgeführt.
Bestimme grafisch mithilfe der Messwerte die Auslösezeit.
Erkläre den verzögerten Anstieg der Stromstärke nach dem Schließen des Schalters.
Bestimme den ohmschen Widerstand der Spule.
Bei einem sogenannten Kabelbruch steigt der Widerstand an der betroffenen Stelle im Stromkreis an. In Material 4 findet sich ein Sicherheitshinweis eines Backofenherstellers. In Material 5 sind die Notizen eines Schülers zu diesem Sicherheitshinweis zu sehen.
Erkläre mithilfe der Notizen diesen Sicherheitshinweis.
Beurteile, ob der Leitungsschutzschalter aus Aufgabe 3 vor der Gefahr eines Kabelbrands schützt.
Material 1: Experimenteller Aufbau eines Sicherheitsschalters

Abb. 1: Experimenteller Aufbau
Der Aufbau besteht aus einem elektrischen Leiterstück aus Kohle, das auf zwei horizontal angebrachten Metallstäben rollen kann. Das Leiterstück befindet sich im magnetischen Feld eines Hufeisenmagneten.
Material 2: Versuchsprotokoll
Versuchsziel
Untersuchung der Kraft auf einen stromdurchflossenen Leiter in Abhängigkeit von der Stromstärke und der Leiterlänge im homogenen Magnetfeld.
Versuchsaufbau

Abb. 2: Versuchsaufbau
Beobachtungen
-
Es wirkt eine Kraft nach unten.
-
Die Kraft hängt von der Stromstärke
im Rähmchen ab.
-
Die Kraft hängt von der Breite
des Rähmchens ab.
Messwerte
1. Konstante Breite des Rähmchens
|
|
|
|---|---|
|
|
|
|
|
|
|
|
|
|
|
|
2. Konstante Stromstärke
|
|
|
|---|---|
|
|
|
|
|
|
|
|
|
Versuchsergebnis
Für die Kraftwirkung auf den vom Strom der Stärke
durchflossenen Leiter der Länge
in diesem Magnetfeld gilt:
mit
konstant.
Material 3: Versuchsbeschreibung
Wenn im Stromkreis ein sogenannter Kurzschluss vorliegt, dann stellen die elektrischen Kabel und der Leitungsschutzschalter im Haus den einzigen Widerstand im Stromkreis dar. Der Widerstand beträgt
und soll einem üblichen Widerstand in den Kabeln eines Hauses entsprechen.
ist in der Schaltskizze der ohmsche Widerstand der Spule.

Abb. 3: Ersatzschaltskizze
Nach dem Schließen des Schalters wurden folgende Messwerte aufgenommen:
|
|
|
|---|---|
|
|
|
|
|
|
|
|
|
|
|
|
|
|
|
|
|
|
|
|
|
|
|
|
Material 4: Sicherheitshinweis
„Wenn das Netzkabel des Backofens beschädigt ist, muss es vom Hersteller, seinem autorisierten Kundenservice oder einer gleichermaßen qualifizierten Person ausgetauscht werden, um die Gefahr eines Kabelbrands zu vermeiden.“
Quelle: Bedienungsanleitung Elektroherd ZOP37982BU
Material 5: Notizen eines Schülers

Abb.4

Abb.5
Für die Leistung bei der Energieumwandlung von elektrischer Energie in thermische Energie in einem Widerstand gilt
wobei die Stromstärke im Widerstand und
die am Widerstand anliegende Spannung ist.
Weiter lernen mit SchulLV-PLUS!
monatlich kündbarSchulLV-PLUS-Vorteile im ÜberblickDu hast bereits einen Account?Die Richtung der Lorentzkraft auf den stromdurchflossenen Kohlestab ergibt sich mithilfe der Rechten-Hand-Regel (oder Drei-Finger-Regel mit der rechten Hand). Der elektrische Strom fließt durch den Kohlestab nach hinten (entspricht der Richtung des Daumens). Die magnetischen Feldlinien verlaufen von unten nach oben (entspricht der Richtung des Zeigefingers). Dadurch zeigt der Mittelfinger nach rechts. Dieser gibt die Richtung der gesuchten Lorentzkraft an, was bedeutet, dass der Stab durch die Lorentzkraft seitlich weggedrückt wird. Er fällt somit von den Metallstäben, wodurch der Stromkreis unterbrochen wird.
Würde man die Stromrichtung umkehren, zeigt der Daumen der rechten Hand nach vorn. Dadurch kehrt sich die Richtung der Lorentzkraft auf den stromdurchflossenen Leiter ebenfalls um. Somit rollt der Stab in die entgegengesetzte Richtung und kann nicht runterfallen, wodurch der Stromkreis immer geschlossen bleibt.
Damit der Kohlestab überhaupt in Bewegung kommt, muss die Lorentzkraft die Reibungskräfte überwinden. Das ist nur möglich, wenn eine bestimmte Mindeststromstärke erreicht wird, da gilt.
Ein rechtwinkliges Drahträhmchen wird über einen isolierten Faden an einen Kraftmesser gehangen. Die untere Kante des Rähmchens befindet sich im homogenen Magnetfeld eines Hufeisenmagneten. Die Feldlinien des Magnetfelds stehen senkrecht zur unteren Kante des Drahträhmchens. Sowohl die Feldlinien als auch die untere Kante des Drahträhmchens verlaufen waagrecht. Es werden zwei Messreihen erstellt, gemessen wird die magnetische Kraft auf den Leiter, einmal in Abhängigkeit der Stromstärke und einmal in Abhängigkeit der Rahmenbreite
:
-
Die Breite bleibt konstant (
), während die Stromstärke variiert wird, um zu untersuchen, wie sich die magnetische Kraft mit dem Strom ändert.
-
Die Stromstärke bleibt konstant (
), während die Breite der Leiterschleife verändert wird, um den Zusammenhang zwischen Kraft und Leiterlänge zu prüfen.
Auf die untere Kante des Drahträhmchens wirkt die Lorentzkraft. Mithilfe der Rechten-Hand-Regel ergibt sich, dass diese Kraft auf das Drahträhmchen nach unten wirkt.
Messreihe 1: Abhängigkeit von der Stromstärke.
Es wird vermutet, dass gilt. Somit ist zu prüfen, ob der Quotient
konstant ist:
|
|
|
|
|---|---|---|
|
|
|
|
|
|
|
|
|
|
|
|
Da die Quotienten innerhalb der Messgenauigkeit nahezu identisch bleiben, folgt: also ist die Kraft
proportional zur Stromstärke
.
Messreihe 2: Abhängigkeit von der Breite
Es wird vermutet, dass gilt. Somit ist zu prüfen, ob
konstant ist:
|
|
|
|
|---|---|---|
|
|
|
|
|
|
|
|
|
|
|
|
Da die Quotienten innerhalb der Messgenauigkeit nahezu identisch bleiben, folgt: also ist die Kraft
proportional zur Breite
des Drahträhmchens.
Diese Proportionalitäten lassen sich zusammenfassen:
Daraus folgt:
mit mit konstantem
Die magnetische Flussdichte des homogenen Magnetfelds ist im Versuch konstant. WIrd nun die Formel aus c) mit der bekannten Formel
(Kraft
auf einen stromdurchflossenen Leiter der Länge
im Magnetfeld) verglichen, stellt sich heraus:
entspricht der magnetischen Flussdichte
. Somit ist die physikalische Bedeutung der Konstante
im Versuchsergebnis die magnetische Flussdichte
Mit Hilfe der in einem —
—Diagramm eingetragenen Messwerte kann eine Ausgleichsfunktion ermittelt werden:
Abb. 1
Mit Hilfe der Ausgleichsfunktion lässt sich erkennen, dass der Schwellwert von nach ungefähr
erreicht wird.
Durch das Schließen des Schalters beginnt die Stromstärke von aus anzusteigen. Dadurch ändert sich der magnetische Fluss in der Spule, was nach der Lenz’schen Regel dazu führt, dass an der Spule eine Gegenspannung induziert wird. Diese wirkt dem Anstieg entgegen und verhindert einen sofortigen Maximalstrom. Da die Gegenspannung proportional zur Änderungsrate des Stromstärkeanstiegs ist und diese mit der Zeit abnimmt, wird auch die Gegenspannung mit zunehmender Zeit kleiner. Das führt dazu, dass sich die Stromstärke ihrem Endwert immer weiter annähert.
Den Messergebnissen kann entnommen werden. Somit beträgt der ohmsche Widerstand des gesamten Stromkreises:
Da die beiden ohmschen Widerstände in Reihe geschaltet sind, gilt:
Es gilt somit folgt daraus:
Für die thermische Leistung im Kabel gilt:
Daraus folgt, dass zuerst für beide Situationen (einmal ohne Kabelbruch, einmal mit Kabelbruch) die Stromstärke ausgerechnet werden muss.
Stromstärke beim Backofen ohne Kabelbruch:
Stromstärke beim Backofen mit Kabelbruch:
Somit beträgt die thermische Leistung im Kabel ohne Kabelbruch:
Beim Kabel mit Kabelbruch beträgt die thermische Leistung hingegen:
Das ist ein sehr deutlicher Anstieg der thermischen Leistung. Außerdem wird die Leistung von nur an der beschädigten Stelle freigesetzt. Somit konzentriert sich die freigegebene thermische Leistung auf eine kleine Fläche, wodurch diese Stelle sehr heiß wird, was zu einem Kabelbrand führen kann.
Der Leitungsschutzschalter aus Aufgabe 3 löst erst bei Stromstärken über aus. Da sowohl im Normalfall als auch bei einem Kabeldefekt die Stromstärken weit darunter liegen, löst er nicht aus.
Außerdem würde selbst ein Schalter mit niedrigerem Schwellenwert hier nichts ändern, da ein Leistungsschutzschalter grundlegend nicht vor einem Kabelbrand schützt. Beim Kabelbruch erhöht sich der Gesamtwiderstand, weshalb die Stromstärke bei einem Kabelbruch immer kleiner ist als im Normalbetrieb. Der Schwellwert des Leistungsschutzschalters liegt aber immer über der normalen Betriebsstromstärke — der wiederum immer über der Stromstärke bei einem Kabelbruch liegt, wodurch der Schwellwert immer über der Stromstärke bei einem Kabelbruch liegt. Somit löst der Leistungsschutzschalter nicht aus und kann nicht vor einem Kabelbrand schützen.